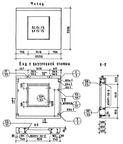
НР1-30.29.4-2

Чертеж изделия:
Чертеж НР1-30.29.4-2
Характеристики изделия:
ПараметрЗначение
Длина2990 мм
Ширина400 мм
Высота2900 мм
Масса3490 кг
Нормативный документСерия 1.132-1

НР1-30.29.4-2   Наружная стеновая панель рядовая по Серии 1.132-1.